Официальный интернет-магазин производителя
пн. – пт.: 09:00 – 18:00
Консультации: пн. – пт. c 09:00 до 18:00
Обработка заказов: ежедневно с 09:00 до 23:00
Меню

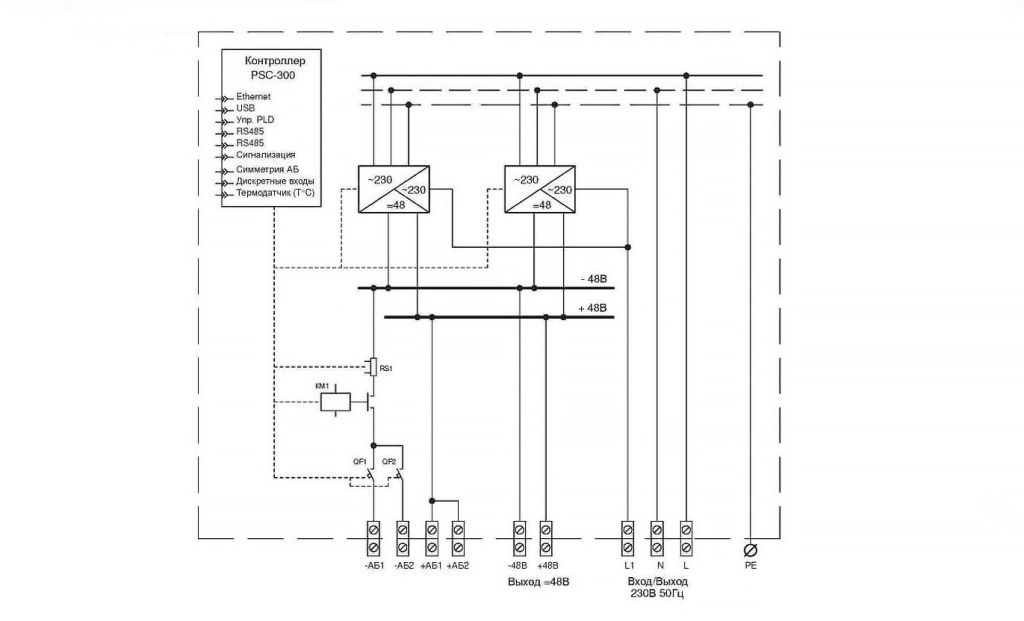
Комбинированная установка питания «Штиль» IR48/230-16/24-1U

  • Форм-фактор
    в стойку
  • Номинальное входное переменное напряжение, В
    230
  • Предельный диапазон входного напряжения, В
    110-290
  • Номинальное выходное напряжение переменного тока, В
    230
  • Номинальное выходное напряжение постоянного тока, В
    48
  • Точность стабилизации выходного напряжения, %
    1,5
  • Выходная мощность по постоянному току, кВт
    1,6
  • Выходная мощность по переменному току, кВт
    2,4
Профессиональный
подбор
Профессио-
нальный подбор
Простая
покупка
Фокус
на качестве
Удобная
доставка
Официальная
гарантия
Самый полный
ассортимент
Обмен и возврат
в течение 7 дней

Комбинированная установка питания «Штиль» IR48/230-16/24-1U с выходной мощностью 1,6 кВт (по DC) и 2,4 кВт (по AC) объединяет в себе функции:

  • установки питания постоянного тока (используется для питания нагрузки постоянным напряжением 48 В и заряда батарейного массива с номинальным напряжением 48 В);
  • инвертора (используется для питания нагрузки стабилизированным переменным напряжением 230 В).

Общий принцип работы

При наличии сети переменного тока 230 В / 400 В на входе:

  • стабилизирует выходное напряжение переменного тока для питания нагрузки АС;
  • выдает напряжение постоянного тока 48 В для питания нагрузки постоянного тока и заряда буферных аккумуляторных батарей (ток заряд регулируется через контроллер PSC-300 в составе системы питания.

При отсутствии сети переменного тока работает от аккумуляторных батарей в режиме инвертора. переключение в автономный режим выполняется автоматически при выходе переменного напряжения за пределы рабочего диапазоне.

Функциональная схема


Общие
Форм-фактор в стойку
Выходная мощность по постоянному току, кВт 1,6
Выходная мощность по переменному току, кВт 2,4
Страна производитель Россия
Входные характеристики
Рабочий диапазон входного переменного напряжения, В 185-275
Номинальное входное переменное напряжение, В 230
Предельный диапазон входного напряжения, В 110-290
Рабочий диапазон входного постоянного напряжения, В 43-58
Выходные характеристики
Номинальное выходное напряжение постоянного тока, В 48
Номинальное выходное напряжение переменного тока, В 230
Точность стабилизации выходного напряжения, % 1,5
Механические характеристики
Габаритные размеры ВхШхГ (без упаковки), мм 43,7х443х38,3
Цвет корпуса серый
Внутренняя полезная высота, U 1
Листовки, брошюры, каталоги
Выпрямительно-инверторные системы, инверторы и установки питания. Каталог, 2026 год Скачать
0 отзывов
Для этого товара пока нет отзывов.
Оставьте отзыв первым и участвуйте в акции!
Ваше мнение поможет другим покупателям в выборе.

Нужна помощь?

Задайте вопрос – вам ответит наш эксперт или один из покупателей

Загрузка
Пока об этом товаре нет вопросов. Оставьте вопрос первым!